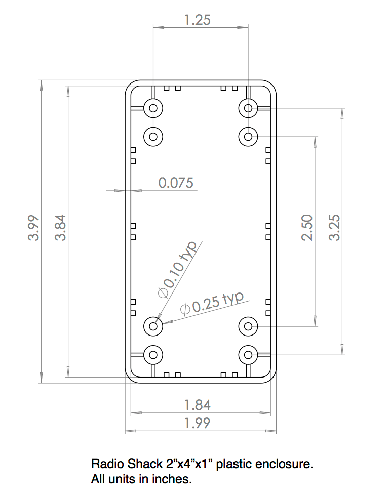
I recently needed to use this enclosure from Radio Shack. I’ve seen them used a ton over the last couple decades but somehow couldn’t find the dimensions, especially the hole spacing. So I got out my trusty dial calipers and and made my own. Hope this helps somebody else.
All dimensions below are in inches. I’ve also made a part in Solidworks that you can download here. Disclosure: I only measured my box so it’s possible it changes over time or that your box will be different so use at your own risk. You can find the product on Radio Shacks site here.
